
Описание продукта Наша продукция охватывает широкий спектр стандартизированных устройств управления потоками, которые могут быть адаптированы к различным режимам привода, включая шаровые краны, дисковые затворы, задвижки, регулирующие клапаны, обратные клапаны, предохранительные клапаны, повор...
Наша продукция охватывает широкий спектр стандартизированных устройств управления потоками, которые могут быть адаптированы к различным режимам привода, включая шаровые краны, дисковые затворы, задвижки, регулирующие клапаны, обратные клапаны, предохранительные клапаны, поворотные шаровые краны, плунжерные клапаны и т.д. Наша продукция широко используется в водном хозяйстве, коммунальном хозяйстве, электроэнергетике, газовой, нефтехимической, углехимической, энергетической промышленности, в сфере охраны окружающей среды, медицине, недвижимости, металлургии, горнодобывающей промышленности и многих других областях.
1. Эксплуатация снижает нагрузку: давление среды, создающее хорошее воздействие на сфероид, обеспечивает полное перемещение сфероида относительно друг друга, обеспечивая равномерное распределение нагрузки на обе стороны уплотнения седла клапана, а также низкий рабочий момент силы. 2. Использует пружинную конструкцию с подвижным металлическим седлом клапана, разработанную до Канады, подходит для работы в условиях высоких температур и давлений, а также для любых трубопроводов среднего давления.
3. По запросу заказчика конструкция может быть адаптирована для работы с гранулами, измельченной пастой и другими материалами. Широко применяется в трубопроводах среднего давления, в пищевой, медицинской, нефтяной, химической промышленности, газовой, сталелитейной, целлюлозно-бумажной промышленности, а также в строительстве.
Проектирование и производство: GB/T 12237-2007; API 608
Проверки и испытания: GB/T13927-2008; AP1 598
Фланцевое соединение: JB/T 79.1~4-1994; ASME/ANSIB 16.5
Длина конструкции: GB/T 12221-2005; ASME/ANSIB 16.10
| PN | Максимальная температура Рабочее давление | Испытательное давление | Испытательное давление газовых уплотнений | Испытательное давление для уплотнений высокого давления |
| 1.6 | 1.6 | 2.4 | 0.6 | 1.76 |
| 2.5 | 2.5 | 3.8 | 0.6 | 2.75 |
| 4.0 | 4.0 | 6.0 | 0.6 | 4.4 |
| 6.4 | 6.4 | 9.6 | 0.6 | 7.1 |
| 10.0 | 10.0 | 15.0 | 0.6 | 11.0 |
| Класс 150 | 2.0 | 3.0 | 0.6 | 2.2 |
| Класс 300 | 5.0 | 7.5 | 0.6 | 5.5 |
| Класс 600 | 10.0 | 15.0 | 0.6 | 11.0 |
| Материал оболочки | Рабочая температура | Применяемые среды |
| Углеродистая сталь | ≤425℃ | Вода, пар, масло и т.д. |
| Хромированная никель-титановая сталь типа P | ≤200℃ | Азотная кислота |
| Хромоникелевая сталь R-Mo Ti | ≤200℃ | Уксусная кислота |
| Хром-молибден-ванадиевая сталь | ≤550℃ | Паровая, металлургическая, энергетическая, электронная. |
| Корпус, колпак | GB | WCB | ZGOCr18Ni9 | ZGOCr17Ni12Mo2 | ZG15Cr1Mo1V |
| ASTM | A216WCB | CF8 | CF8M | WC9 | |
| Шар | GB | 2Cr13/специальная обработка поверхности | 1Cr18Ni9Ti/Специальная обработка поверхности | 0Cr18Ni12Mo2Ti/Специальная обработка поверхности | 25Cr2Mo1V/специальная обработка поверхности |
| ASTM | 420+HF | 304+HF | 316+HF | F22a+HF | |
| Шток, фиксированная ось | GB | 2Cr13 | 0Cr18Ni9 | 0Cr17Ni12Mo2 | 25Cr2Mo1V |
| ASTM | 420 | 304 | 316 | F22a | |
| Сиденье | GB | 2Cr13 | 0Cr18Ni9 | OCr17Ni12Mo2 | 25Cr2Mo1V |
| ASTM | 420 | 304 | 316 | F22a | |
| Упаковка | GB | Гибкий графит | Гибкий графит | Гибкий графит | Гибкий графит |
| ASTM | Гибкий графит | Гибкий графит | Гибкий графит | Гибкий графит | |
| Болт | GB | 35 | 0Cr18Ni9 | 0Cr18Ni9 | 15Cr1Mo1V |
| ASTM | A193 B7 | A320-B8 | A320-B8 | A193B16 | |
| Гайка | GB | 45 | 0Cr18Ni9 | OCr18Ni9 | 20CrMo |
| ASTM | A194 2H | A194-8 | A194-8 | A194-4 |
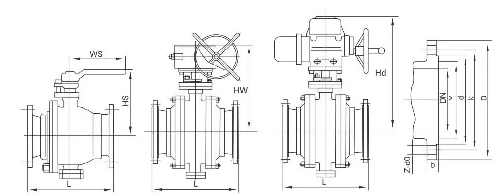
| DN | L | D | K | d | Y | b | Z-d0 | Ws | Hs | Hw | Hd |
| PN16 | |||||||||||
| 150 | 394 | 280 | 240 | 210 | — | 22 | 8-23 | 1000 | 305 | 470 | 540 |
| 200 | 457 | 335 | 295 | 265 | — | 24 | 12-23 | — | — | 520 | 580 |
| 250 | 533 | 405 | 355 | 320 | — | 26 | 12-25 | — | — | 610 | 640 |
| 300 | 610 | 460 | 410 | 375 | — | 28 | 12-25 | — | — | 650 | 690 |
| 350 | 686 | 520 | 470 | 435 | — | 32 | 16-25 | — | — | 740 | 785 |
| 400 | 762 | 580 | 525 | 485 | — | 36 | 16-30 | — | — | 795 | 830 |
| 450 | 864 | 640 | 585 | 545 | — | 38 | 20-30 | — | — | 860 | 910 |
| 500 | 914 | 705 | 650 | 608 | — | 42 | 20-34 | — | — | 945 | 990 |
| 600 | 1067 | 840 | 770 | 718 | — | 46 | 20-41 | — | — | 1040 | 1090 |
| 700 | 1245 | 910 | 840 | 788 | — | 48 | 24-41 | — | — | 1150 | 1210 |
| 800 | 1372 | 1020 | 950 | 898 | — | 50 | 24-41 | — | — | 1280 | 1340 |
| 900 | 1524 | 1120 | 1050 | 998 | — | 52 | 28-41 | — | — | 1430 | 1510 |
| 1000 | 1753 | 1255 | 1170 | 1110 | — | 54 | 28-48 | — | — | 1580 | 1640 |
| 1200 | 2032 | 1485 | 1390 | 1325 | — | 56 | 32-54 | — | — | 1810 | 1910 |
| 1400 | 2300 | 1685 | 1590 | 1525 | — | 60 | 36-54 | — | — | 2010 | 2115 |
| PN25 | |||||||||||
| 150 | 403 | 300 | 250 | 218 | — | 30 | 8-25 | 1000 | 305 | 470 | 555 |
| 200 | 502 | 360 | 310 | 278 | — | 34 | 12-25 | — | — | 540 | 595 |
| 250 | 568 | 425 | 370 | 332 | — | 36 | 12-30 | — | — | 630 | 655 |
| 300 | 648 | 485 | 430 | 390 | — | 40 | 16-30 | — | — | 650 | 705 |
| 350 | 762 | 550 | 490 | 448 | — | 44 | 16-34 | — | — | 740 | 795 |
| 400 | 838 | 610 | 550 | 505 | — | 48 | 16-34 | — | — | 795 | 830 |
| 450 | 914 | 660 | 600 | 555 | — | 50 | 20-34 | — | — | 860 | 910 |
| 500 | 991 | 730 | 660 | 610 | — | 52 | 20-41 | — | — | 945 | 990 |
| 600 | 1143 | 840 | 770 | 718 | — | 56 | 20-41 | — | — | 1040 | 1090 |
| 700 | 1346 | 955 | 875 | 815 | — | 60 | 24-48 | — | — | 1150 | 1210 |
| 800 | 1524 | 1070 | 990 | 930 | — | 64 | 24-48 | — | — | 1305 | 1340 |
| 900 | 1727 | 1180 | 1090 | 1025 | — | 66 | 28-54 | — | — | 1505 | 1600 |
| 1000 | 1880 | 1305 | 1210 | 1140 | — | 68 | 28-58 | — | — | 1615 | 1705 |
| 1200 | 2184 | 1525 | 1420 | 1350 | — | 72 | 32-58 | — | — | 1925 | 2035 |
| 1400 | 2300 | 1750 | 1640 | 1560 | — | 78 | 36-65 | — | — | 2110 | 2185 |
| DN | L | D | K | d | Y | b | Z-d0 | Ws | Hs | Hw | Hd |
| PN40 | |||||||||||
| 150 | 403 | 300 | 250 | 218 | 204 | 30 | 8-25 | 1000 | 360 | 485 | 590 |
| 200 | 502 | 375 | 320 | 282 | 260 | 38 | 12-30 | — | — | 580 | 640 |
| 250 | 568 | 445 | 385 | 345 | 313 | 42 | 12-34 | — | — | 665 | 680 |
| 300 | 648 | 510 | 450 | 408 | 364 | 46 | 16-34 | — | — | 760 | 810 |
| 350 | 762 | 570 | 510 | 465 | 422 | 52 | 16-34 | — | — | 820 | 890 |
| 400 | 838 | 655 | 585 | 535 | 474 | 58 | 16-41 | — | — | 860 | 940 |
| 450 | 914 | 680 | 610 | 560 | 524 | 60 | 20-41 | — | — | 930 | 1010 |
| 500 | 991 | 755 | 670 | 612 | 576 | 62 | 20-48 | — | — | 980 | 1130 |
| 600 | 1143 | 890 | 795 | 730 | 678 | 62 | 20-54 | — | — | 1040 | 1090 |
| 700 | 1346 | 995 | 900 | 835 | 768 | 68 | 24-54 | — | — | 1150 | 1210 |
| 800 | 1524 | 1135 | 1030 | 960 | 876 | 76 | 24-58 | — | — | 1305 | 1340 |
| 900 | 1727 | 1270 | 1168 | 1022 | — | 105 | 32-54 | — | — | 1505 | 1600 |
| 1000 | 1880 | 1238 | 1156 | 1086 | — | 114 | 32-44 | — | — | 1615 | 1705 |
| 1200 | 2184 | 1467 | 1372 | 1302 | — | 133 | 32-51 | — | — | 1925 | 2035 |
| 1400 | 1708 | 1600 | 1518 | — | 154 | 28-60 | — | — | 2110 | 2185 | |
| PN64 | |||||||||||
| 150 | 495 | 340 | 280 | 240 | 204 | 38 | 8-34 | 1200 | 360 | 485 | 590 |
| 200 | 597 | 405 | 345 | 300 | 260 | 44 | 12-34 | — | — | 580 | 650 |
| 250 | 673 | 470 | 400 | 352 | 313 | 48 | 12-41 | — | — | 665 | 720 |
| 300 | 762 | 530 | 460 | 412 | 364 | 54 | 16-41 | — | — | 760 | 840 |
| 350 | 826 | 595 | 525 | 475 | 422 | 60 | 16-41 | — | — | 820 | 930 |
| 400 | 902 | 670 | 585 | 525 | 474 | 66 | 16-48 | — | — | 870 | 990 |
| 500 | 1054 | 800 | 705 | 640 | 576 | 70 | 20-54 | — | — | 995 | 1150 |
| 600 | 1232 | 930 | 820 | 750 | 678 | 76 | 20-58 | — | — | 1100 | 1180 |
| 700 | 1397 | 1035 | 940 | 800 | — | 95 | 28-51 | — | — | 1180 | 1230 |
| 800 | 1651 | 1149 | 1054 | 914 | — | 108 | 28-54 | — | — | 1345 | 1385 |
| 900 | 1880 | 1270 | 1168 | 1022 | — | 114 | 32-54 | — | — | 1550 | 1655 |
| 1000 | 1981 | 1270 | 1175 | 1092 | — | 133 | 32-51 | — | — | 1675 | 1745 |
| 1200 | 2311 | 1511 | 1403 | 1308 | — | 152 | 28-60 | — | — | 1945 | 2075 |
| DN | L | D | K | d | Y | b | Z-d0 | Ws | Hs | Hw | Hd |
| Класс 150 | |||||||||||
| 2" | 178 | 150 | 120.7 | 92 | — | 14.3 | 4-19 | 260 | 155 | — | — |
| 2¹/2" | 190 | 180 | 139.7 | 105 | — | 15.9 | 4-19 | 350 | 185 | — | — |
| 3" | 203 | 190 | 152.4 | 127 | — | 17.5 | 4-19 | 500 | 205 | — | — |
| 4" | 229 | 230 | 190.5 | 157 | — | 22.3 | 8-19 | 650 | 255 | 390 | 500 |
| 5" | 356 | 255 | 215.9 | 186 | — | 22.3 | 8-22.5 | 800 | 285 | 410 | 520 |
| 6" | 394 | 280 | 241.3 | 216 | — | 23.9 | 8-22.5 | 1000 | 305 | 470 | 540 |
| 8" | 457 | 345 | 298.5 | 270 | — | 27.0 | 8-22.5 | — | — | 520 | 580 |
| 10" | 533 | 405 | 362 | 324 | — | 28.6 | 12-25.5 | — | — | 610 | 640 |
| 12" | 610 | 485 | 431.8 | 381 | — | 30.2 | 12-25.5 | — | — | 650 | 690 |
| 14" | 686 | 535 | 476.3 | 413 | — | 33.4 | 12-28.5 | — | — | 740 | 785 |
| 16" | 762 | 595 | 539.8 | 470 | — | 35.0 | 16-28.5 | — | — | 795 | 830 |
| 18" | 864 | 635 | 577.9 | 533 | — | 38.1 | 16-32 | — | — | 860 | 910 |
| 20" | 914 | 700 | 635.0 | 584 | — | 41.3 | 2032 | — | — | 945 | 990 |
| 24" | 1067 | 815 | 749.3 | 692 | — | 46.1 | 20-35 | — | — | 1040 | 1090 |
| 28" | 1245 | 927 | 864 | 800 | — | 71 | 28-35 | — | — | 1150 | 1210 |
| 32" | 1372 | 1060 | 978 | 914 | — | 81 | 28-41 | — | — | 1280 | 1340 |
| Класс 300 | |||||||||||
| 2" | 216 | 165 | 127 | 92 | — | 20.7 | 8-19 | 260 | 155 | — | — |
| 2¹/2" | 241 | 190 | 149.2 | 105 | — | 23.9 | 8-22.5 | 350 | 185 | — | — |
| 3" | 283 | 210 | 168.3 | 127 | — | 27.0 | 8-22.5 | 500 | 205 | — | — |
| 4" | 305 | 255 | 200 | 157 | — | 30.2 | 8-22.5 | 800 | 270 | 410 | 530 |
| 5" | 381 | 280 | 235 | 186 | — | 33.4 | 8-22.5 | 1000 | 305 | 470 | 560 |
| 6" | 403 | 320 | 269.9 | 216 | — | 35.0 | 12-22.5 | 1200 | 340 | 485 | 590 |
| 8" | 502 | 380 | 330.2 | 270 | — | 39.7 | 12-25.5 | — | — | 5809 | 640 |
| 10" | 568 | 445 | 387.4 | 324 | — | 46.1 | 16-28.5 | — | — | 665 | 680 |
| 12" | 648 | 520 | 450.8 | 381 | — | 49.3 | 16-32 | — | — | 760 | 810 |
| 14" | 762 | 585 | 514.4 | 413 | — | 52.4 | 20-32 | — | — | 820 | 890 |
| 16" | 838 | 650 | 571.5 | 470 | — | 55.6 | 20-35 | — | — | 860 | 940 |
| 18" | 914 | 710 | 628.5 | 533 | — | 58.8 | 24-35 | — | — | 930 | 1010 |
| 20" | 991 | 775 | 685.8 | 584 | — | 62.0 | 24-35 | — | — | 980 | 1130 |
| Класс 600 | |||||||||||
| 2" | 292 | 165 | 127 | 108 | — | 25.4 | 8-19 | 350 | 175 | — | — |
| 21/2" | 330 | 190 | 149.2 | 127 | — | 28.6 | 8-22.5 | 500 | 200 | — | — |
| 3" | 356 | 210 | 168.3 | 146 | — | 31.8 | 8-22.5 | 650 | 235 | — | — |
| 4" | 432 | 275 | 215.9 | 175 | — | 38.1 | 8-25.5 | 1000 | 275 | 395 | 550 |
| 5" | 508 | 330 | 266.7 | 210 | — | 44.5 | 8-28.5 | 1200 | 325 | 430 | 580 |
| 6" | 559 | 355 | 292.1 | 241 | — | 47.7 | 12-28.5 | — | — | 495 | 620 |
| 8" | 660 | 420 | 349.2 | 302 | — | 55.6 | 12-32 | — | — | 595 | 680 |
| 10" | 787 | 510 | 431.8 | 356 | — | 63.5 | 16-35 | — | — | 680 | 740 |
| 12" | 838 | 560 | 489 | 413 | — | 66.7 | 20-35 | — | — | 790 | 850 |